
适用于旋转编码器及其它脉冲信号输入场合。实现最高计数速度15Kcps,定时器、计时器、计数器,多功能兼用.
详细说明
◆SWP-DS-TA/TB定时/计时显示控制仪性能特点:
⊕采用8位微处理器,用户可通过二级参数的修改方便切换为计数或定时工作模式,并开放多种参数供用户二次组态。适用
于旋转编码器及其它脉冲信号输入场合。
⊕定时器、计时器、计数器,多功能兼用
⊕实现最高计数速度15Kcps
⊕具有将输入信号进行比例缩放显示功能,锁键功能(Key Lock)
⊕参数断电永久保留及参数密码锁定
⊕高亮度3.6英寸双六位LED数字显示,小数点可选.
⊕支持多机网络通讯 , 通讯协议自由设定
◆技术参数
|
商 标 |
型 号 |
||||
|
SWP-DS- |
TA401/403、TA901/903、 TB401/403、TB901/903系列 |
||||
|
输入信号 |
频率信号 f≤15Kcps,幅度≥0.2V ,输入阻抗≥10K。 输入电平0~20V(H:+5~20V,L:0~2V) 开关量信号或触点信号(无源) |
||||
|
输出信号 |
模拟量输出 DC 0~10mA(负载能力≤750W) DC 4~20mA(负载能力≤500W) 开关量输出 继电器控制输出──继电器ON/OFF带回差,触点容量:AC220V/3A;DC24V/6A(阻性负载) 可控硅控制输出──SCR(可控硅过零触发脉冲)输出,可触发可控硅: 400V/100A 固态继电器输出──SSR(固态继电器控制信号)输出,6~24V/30mA(电压不可调) NPN集电极开路输出──OC门输出,30VDC/100 mA 通讯输出 标准串行双向通信接口:RS -485 , RS-232C , RS-422等 波 特 率──300~9600bps 内部自由设定 馈电输出 DC 24 V , 负载能力≤30 mA |
||||
|
特 性 |
测量精度 频率±1脉冲或±0.1 %FS 分 辨 率 1、0.1、0.01、0.001字 显示范围 0 ~ 999999字 采样时间 0.01秒 显示方式 双六位LED显示,可显示时、分、秒、毫秒或计数状态显示0~999999字 控制方式 控制/报警方式为带回差上限或下限报警(用户可自由设定) 打印控制 可选择直接配接各型串行打印机(如LQ-300K,TPuP系列微打等),打印接口为RS-232C 打印精度 同仪表精度 参数设定 面板轻触式按键数字设定 参数设定值断电后永久保存 参数设定值密码锁定 保护方式 输入回路断线报警(热电偶或电阻输入时),继电器输出状态LED指示 输入超/欠量程报警 电源欠压自动复位 工作异常自动复位(Watch Dog) |
||||
|
使用环境 |
环境温度 0~50℃ 相对湿度 ≤85RH 避免强腐蚀气体 供电电压 AC 85~260 V─开关电源供电 、 DC 24 V±2 V─开关电源供电 功 耗 ≤6W(AC85~260V开关电源供电) ≤6W(DC24V开关电源供电 结 构 标准卡入式 |
||||
|
SWP-DS- |
TA401/403、TB401/403系列 |
TA901/903 、TB901/903系列 |
|||
|
仪表外形 |
|
|
|||
|
外形尺寸 |
宽×高×深:96×48×140mm |
宽×高×深:96×96×140mm |
|||
|
开孔尺寸单位:mm |
|
|
|||
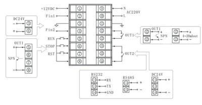
|
接线图 |
|
||||
|
输入信号 接线示意图 |
OC门输入 |
OE门输入 |
TTL电平输入 |
小信号输入 |
|
|
|
|
|
|
||
◆SWP-DS-TA/TB定时/计时显示控制仪型谱表










